Описание
Цилиндрический редуктор типа Ц2У-250 или 1Ц2У-250 – общепромышленный двухступенчатый редуктор узкого типа, который используется в повторно-кратковременных и постоянных рабочих режимах. Сфера применения это приводы подъемников, элеваторы, конвейеров, грануляторов, дробилок. Из-за узкого типа зубчатых колес, если сравнивать его со своими предшественниками, редуктор Ц2У-250 обладает более высоким крутящим моментом на выходном валу при небольших габаритах — 5000 Нм.. Предлагаем купить редуктор 1Ц2У-250 с передаточными числами 8; 10; 12,5; 16; 20; 25; 31,5; 40. с коническим или цилиндрическим валом, а так же любым вариантом сборки.
Таблица параметров двухступенчатого редуктора Ц2У-250-25
| Типоразмер редуктора | Номинальное передаточное число | Номинальная радиальная нагрузка на тихоходном валу, Н | Номинальный крутящий момент на тихоходном валу, Нм | Объем масла, л | Вес, кг | КПД |
| Ц2У-250 | 25 | 18000 | 5000 | 9 | 320 | 0,97 |

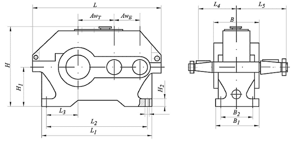
Чертеж цилиндрического редуктора Ц2У-250

Варианты сборки редуктора Ц2У-250:
1 – с концами валов под муфты или в виде части зубчатой муфты;
2 – с концами валов под муфтой;
3 – с полым выходным валом редукторов 1Ц2У-200, 1Ц2У-250













