Описание
НАЗНАЧЕНИЕ И ПРИМЕНЕНИЕ
Асинхронного электродвигателя переменного тока А4-355L-4у3
Трехфазный асинхронный электродвигатель А4-355L-4у3 изготавливают для нужд народного хозяйства и для поставки на экспорт в страны с умеренным и тропическим климатом. Предназначен для привода различных механизмов: вентиляторов, дымососов, центробежных насосов и пр. в стационарных установках.
Трехфазный асинхронный электродвигатель А4-355L-4у3 также изготавливается в соответствии с требованиями нормативно–технической документации для АЭС.
Конструктивное исполнение и способ монтажа: IM 1001, 1002 (по ГОСТ 2479 – 79). По требованию заказчика изготавливаются двигатели с другим способом монтажа.
Климатическое исполнение – умеренное, тропическое, общеклиматическое (У, Т, О) по ГОСТ 15150.
Степень защиты от воздействия окружающей среды IP 23 по ГОСТ 17494-87.
Степень защиты коробки выводов должна быть не ниже IP 54 по по ГОСТ 183-74.
Режим работы – продолжительный S1 по ГОСТ 183-74.. Класс безопасности – 3Н по НП–001 (для исполнения с приемкой «Росатом»).
Категория сейсмостойкости – II по НП–031 (для исполнения с приемкой «Росатом»).
Рассчетный уровень землетрясения – 9 баллов по шкале MSK–64 (для исполнения с приемкой «Росатом»).
Вид тока – переменный трехфазный.
Частота тока – 50 и 60 Гц.
Напряжение – 6000В. По требованию заказчика возможно изготовление двигателей с другим напряжением.
Направление вращения – любое.
Допускаемая высота эксплуатации* – 1000 м над уровнем моря.
Группа условий эксплуатации – M1 по ГОСТ 17516.
Способ охлаждения двигателей – IC01 по ГОСТ 20459.
Класс нагревостойкости изоляции обмотки статора не ниже F по ГОСТ 8865. Уровень шума двигателей не должен превышать предельных значений по 1 классу ГОСТ 16372.
*При установке двигателя свыше 1000 м номинальная мощность двигателя должна быть снижена согласно ТУ.
Основные характеристики асинхронного электродвигателя переменного тока А4-355L-4у3
| Тип двигателя | N, | U, В | Частота | I, А | h, % | n. об/мин | М, кг | IP |
| кВт | тока, Гц | |||||||
| A4-355L-4 | 250 | 6000 | 50,6 | 29 | 94,1 | 1500 | 1250 | IP23 |
где
N – Мощность, кВт
U – Напряжение, В
I – Ток, А
h – КПД, %
n – Частота вращения, об/мин
M – Масса, кг
IP – Степень защиты ГОСТ 17494-87
Устройство асинхронного электродвигателя переменного тока А4-355L-4у3 в приложении 1.
Электродвигатель А4-355L-4У3 250 квт 1500 об / мин 6000V масса 1290 кг. Трехфазные общепромышленные асинхронные электродвигатели серии А4 предназначены для продолжительного режима работы от сети переменного тока. Формы исполнения IM 1001, IM 1002. Высоковольтные электродвигатели серии А4 предназначены для работы в составе привода различных механизмов от сети переменного тока напряжением 6000 или 3000 В: вентиляторов, насосов, дымососов, мельниц, дробилок и других установок для нужд различных отраслей промышленности, электростанций различного типа, в т.ч. атомных. Электродвигатели изготавливаются для различных климатических зон, в т.ч. тропиков и севера. Электродвигатели имеют множество модификаций по способу монтажа, категории размещения, климатическому исполнению, электрическим и другим характеристикам.
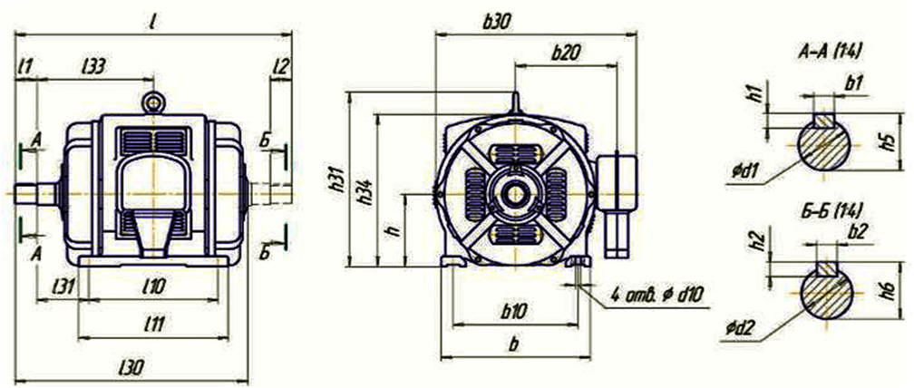
Габаритные, установочные и присоединительные размеры асинхронного электродвигателя переменного тока
А4-355L-4у3 IM 1001-1081 Исполнение Лапы (смотреть в приложении 2)
| Тип | L, | l1, | l2, | l10, | l11, | l30, | l33, | l31, | b, | b1, | b2 | b10, |
| мм | мм | мм | мм | мм | мм | мм | мм | мм | мм | мм | мм | |
| A4-355L-4 | 1480 | 170 | 170 | 630 | 730 | 1205 | 569 | 254 | 730 | 25 | 25 | 610 |
| Тип | b20, | b30, | h, | h1, | h2, | h5, | h6, | h31, | h34, | d1, | d2, | d10, |
| мм | мм | мм | мм | мм | мм | мм | мм | мм | мм | мм | мм | |
| A4-355L-4 | 495 | 984,5 | 355 | 12 | 12 | 95 | 95 | 870 | 760 | 90 | 90 | 28 |







