Описание
Компания реализует по цене от производителя двигатель ДПВ 52 60квт У2 (поворота), ПВ-80%, 305В.
Двигатель постоянного тока ДПВ 52 обеспечивает плавную регулировку частоты вращения и используется, главным образом, в электроприводах экскаваторных агрегатов, а также других подъемно-транспортных механизмах.
Мотор постоянного тока ДПВ (поворота) подключается к сети вторичных источников питания, либо работает «в паре» с генератором постоянного тока.
Технические характеристики электродвигателя ДПВ 52 60квт У2
- Класс изоляции обмоток «Н»
- Режимы работы: продолжительный (S1), кратковременный (S2) и повторно–кратковременный (S3)
- Способ охлаждения: естественное – IC 0040
- Степень защиты: IP 54
- Уровень шума, не более 85 дБ
- Допустимые значения вибрации: не более 2,8 мм/с
- Класс защиты от поражения электрическим током: 01
- Климатическое исполнение: УХЛ
- Категория размещения 1 и 2
- Исполнение: вертикальное
- Диапазон рабочих температур: от + 40˚С до — 60˚С
- Высота над уровнем моря: не более 1 000 м
- Взрывобезопасная окружающая среда, при отсутствии агрессивных газов, паров и с содержанием пыли, не более 20 мг/м3
- Относительная влажность не более 80% при + 20˚С
- Условия внешних механических воздействий: М3
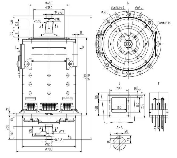
Магнитная система двигателя ДПВ 52 60квт У2 выполнена на неразъемной цилиндрической стальной станине, к которой крепятся все полюса (главные и добавочные) с катушками, плотно зажатыми пружинными фланцами. Сердечник якоря двигателя изготовлен из листов электротехнической стали с обмоткой в пазах и аксиальными вентиляционными каналами. Якорь вращается на двух подшипниках качения.
В подшипниковом узле со стороны коллектора установлен щеточный механизм, состоящий из щеток, суппорта и щеткодержателей. Для осмотра коллектора в станине предусмотрены два смотровых люка с резиновыми уплотнительными прокладками. Обдув двигателей осуществляется с помощью вентиляторов.
Конструктивное исполнение электродвигателя ДПВ52
- IМ3001 — с фланцем
Технические характеристики электродвигателя двигатель ДПВ 52 60квт У2
| Параметр | Величина |
|---|---|
| Модель: | ДПВ 52 |
| Тип электродвигателя: | постоянного тока |
| Вид: | общепромышленный |
| Серия двигателя: | ДПВ |
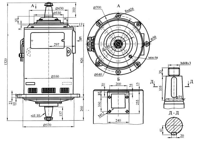
| Габарит (высота оси вращения), мм: | 297 |
| Диаметр вала, мм: | 48 |
| Напряжение, В: | 305 |
| Сила тока, А: | 220 |
| Номинальная мощность, кВт: | 60.0 |
| Частота вращения, об./мин: | 1230 |
| Класс защиты устройства, IP: | 54 |
| Максимальная температура окружающей среды, °C: | 40 |
| Минимальная температура окружающей среды, °C: | -60 |
Условные обозначения двигателя ДПВ 52 60 квт У2
Структура условного обозначения:
2ПБВХХХХХХХХ4
- 2 — номер серии
- П — электродвигатель постоянного тока со встроенным тахогенератором ТП-80-20-0,2 с крутизной 20 мВ•мин и датчиком тепловой защиты терморезистором СТ14-2А
- Б — степень защиты и способ охлаждения (закрытое исполнение с естественным охлаждением)
- В — высокомоментный
- ХХХ — высота оси вращения, мм (100, 112, 132)
- Х — обозначение длины (S — первая, М — вторая, L — третья)
- Х — наличие тормоза (Е — с тормозом, отсутствие буквы — без тормоза)
- ХХ — 01 — наличие датчика пути — резольвера LTSa11c, 02 — наличие устройства под установку датчика пути — преобразователя измерительного фотоэлектрического модели ВЕ — 178, отсутствие обозначения — без датчика пути
- Х4 — климатическое исполнение (УХЛ, О) и категория размещения (4) по ГОСТ 15150-69.
ПC-ХХ
- X — условный габарит от 3 до 5
- X — условная длина сердечника якоря от 1 до 3
ХМТА-С
- Х — Условное обозначение момента
- М — Мотор
- Т — Серия
- А — Модификация по моменту
- С — Электромагнитный тормоз
XXМВХ-3Х-М
- ХХ — момент
- МВ — тип двигателя
- Х — Н: необдуваемый, О: обдуваемый
- 3 — условній габарит
- Х — опции по заказу: С -со встроенным безлюфтовым электромагнитным тормозом. Он увеличивает длину двигателя от 40 до 60 мм; Р — со встроенным бесконтактным резольвером типа РБ-2 (двухполюсным) или РБ-10 (десятиполюсным) и мультипликатором 1:2,5 или 1:5; К — с фотоимпульсным датчиком с 2000 или 2500 имп./об.
- М — модифицированный.
Если Вы хотите купить Электродвигатель ДПВ 52 (60,0/1230) (поворота)по минимальной цене, Вы можете связаться с нашими менеджерами наиболее удобным для вас способом.
В случае, если Вам нужна консультация по покупке или подбору товара, менеджеры нашей компании будут рады Вам помочь. Цена на двигатель ДПВ 52 60квт У2 (60,0/1230) в нашем магазине почти всегда ниже средней. Мы делаем все, чтобы наши клиенты получали высочайшее качество товаров и сервиса за разумную цену.
Доставка на склад покупателя в любой регион Украины.
Цена: уточняйте.










