Описание
Автоматические выключатели с электромагнитными и тепловыми расцепителями А 3716 ФУ3
Автоматические выключатели А 3716 Ф предназначены для проведения тока в нормальном режиме и отключения тока при коротких замыканиях, перегрузках, недопустимых снижениях напряжения, а также до 3 оперативных включений и отключений электрических цепей в час и рассчитаны для эксплуатации в электроустановках с номинальным рабочим напряжением до 380/660 V переменного тока частоты 50, 60 Hz, до 380 V переменного тока частоты 400 Hz и постоянного тока до 220/440 V.
Автоматы А 3716 Ф соответствуют ГОСТ 9098, 2АК.299.031ТУ и сертифицированы на соответствие ГОСТ Р 50030.2
Выключатели автоматические А-3716 допускают нечастые пуски короткозамкнутых асинхронных электродвигателей. Выключатели рассчитаны для эксплуатации в районах с умеренным климатом в следующих условиях:
- высота над уровнем моря — не более 1000м, допускается эксплуатация на высоте до 2000м, при этом нагрузка должна быть снижена на 10%;
- окружающая среда невзрывоопасная, не со-держащая газы, жидкость и пыль в концентра-циях, нарушающих работу выключателей;
- место установки выключателя — защищенное от попадания воды, масла, эмульсии;
- отсутствие непосредственного воздействия солнечной и радиоактивной радиации;
- отсутствие резких толчков, ударов и силь-ной тряски; вибрация мест крепления выключателя с частотой до 35 Гц при ускорении не более 0,5 g.
Устройство и работа выключателя А-3716
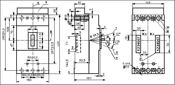
Автоматический выключатель А-3716 состоит из следующих основных узлов: кожуха, контактной системы, механизма управления, дугогасительных камер, пламегасителя, РЭ, РЦТ, зажимов для присоединения внешних проводников главной цепи и дополнительных сборочных навесов.
Кожух выключателя состоит из основания на котором смотированы вcе сборочные единицы выключателя, крышки, укрепленной на основании четырьмя винтами и дополнительных двух крышках одна из которых предохраняет механизм автомата от попадания пыли и влаги, а вторая выполняет роль пламегасителя.
Кожух выключателя А-3716 — довольно массивная деталь, для производства которой необходимы пресс-формы.
Мощности инструментального цеха в сочетании со знаниями и умением наших специалистов позволили нам стать третьим предприятием которому под силу серийно выпускать выключатель А-3716.
Контактная система автоматического выключателя А-3716 состоит из подвижных и неподвижных контактов, расположенных на каждом полюсе выключателя. Коммутирующие (рабочие) контакты выполнены из специальных металлокерамических сплавов на основе серебра.
Подвижные контакты каждого полюса выключателя А-3716 соединены между собой посредством изоляционной траверсы, фвляющейся деталью механизма управления.
Механизм управления выключаключателя А-3716 выполнен по принципу ломающихся рычагов и устроен так, что обеспечивает моментальное замыкание и размыкание контактов не зависящее от скорости движения рукоятки при включении или отключении выключателя, а также моментальное размыкание контактов, не зависящее от того, удерживается ли рукоятка выключателя оператором или нет при авторматическом срабатывании.
Дугогасительные камеры автоматического выключателя А-3716 расположены над контактами каждого полюса и действуют по принципу дробления и деионизации электрической дуги омедненными стальными пластинами, укрепленными в изоляционных стенках выключателя.
Расцепитель электромагнитный (РЭ) встраивается в каждый полюс выключателя. При возникновении в защищаемой цепи тока короткого замыкания, равного или превышающего уставку на ток срабатывания РЭ, якорь электромагнита, притягиваясь к сердечнику, воздействует на механизм управления, вызывая моментальное размыкание контактов главной цепи выключателя А-3716.
Расцепитель тепловой (РТЦ) выполнен в пластмассовом кожухе в виде отдельного блока в котором устанавливается три тепловых элемента. При позникновении в защищаемой цепи тока перегрузки, равного величине уставки или первышающего ее, РТЦ стабатывает с обратно зависимой от тока выдержкой времени. При этом биметаллические пластин, через которые протекает ток, изгибаясь, воздействуют на отлючающую рейку выключателя, что ведет к размыканию контакторов.
Размещение и монтаж
Для работы автоматический выключатель А-3716 установить на вертикальной плоскости меткой «I» вверх. Допускается поворот по этой плоскости выключателей стационарного исполнения на 90 градусов в обе стороны.
При монтаже выключетелей А-3716 с передним и задним присоединением необходимо снять пламегаситель и крышку, закрывающие доступ к зажимам, но после осуществления монтажа пламегаситель и крышку установить на место и плотно притянуть винтами.
Контактные поверхности алюминиевых шин и жил алюминиевого провода должны быть зачищены стальной щеткой и прокрыты слоем смазки.
Независимо от монтажного положения выключателя А-3716 неподвижные контакты главной цепи выключателя должны подсоединяться к источнику напряжения, а подвижные — к нагрузке.
Не допускается установка выключателя А-3716 в пыльных помещениях, помещениях с едкими или взрывоопасными веществами и в местах, не защищенных от брызг воды, солнечных лучей и лучистой энергии отопительных приборов.
Основание к которому крепят автоматический выключатель А-3716, должно быть выравнено так, чтобы при затяжке крепящих винтов пластмассовый корпус выключателя не подвергался напряжениям изгиба.
Техническое обслуживание
Автоматические выключатели требовательны к чистоте, поэтому их нужно регулярно очищать от пыли. Также необходимо раз в году производить смазывание трущихся узлов выключателя приборным маслом.
При отключении после короткого замыкания нужно снять крышку и дугасительноые камеры, и осмотреть контакты на признак пригорания. После этого очистить контакты чистой ветошью смоченной в бензине.
Тип привода — ручной
Число полюсов: 3
Ф означает нетокоограничивающий выключатель
Климатическое исполнение У3
Характеристики:
| номинальный ток выключателя, А: | 160 |
| виды расцепителей: | электромагнитный и тепловой |
| номинальные токи теплового расцепителя, А: | 16, 20, 25, 32, 40, 50, 60, 80, 100, 125, 160 |
| уставка тока теплового расцепителя: | 1,15 номинального тока расцепителя |
| уставка тока электромагнитных расцепителей, А: | 630, 1600 |
Условия эксплуатации автоматов А 3716 ФУ3:
― Категория применения ― А (по ГОСТ Р 50030.2
― Группа механического исполнения М1 (по ГОСТ 17516.1).
― Рабочее положение выключателя в пространстве на вертикальной плоскости с возможностью поворота от вертикального положения в указанной плоскости на 90°±10° в обе стороны.
― Высота над уровнем моря до 1000 m, допускается использование на высоте 2000 m со снижением токовой нагрузки на 10%.
― Тип атмосферы II (по ГОСТ15150).
― Виды климатических исполнений выключателя У3, ХЛ3 и Т3 (по ГОСТ 15150).
― Степень защиты от воздействия окружающей среды и от соприкосновения с токоведущими частями:
IP20 ― оболочки выключателя;
IP00 ― зажимов для присоединения внешних проводников.






